公司简介
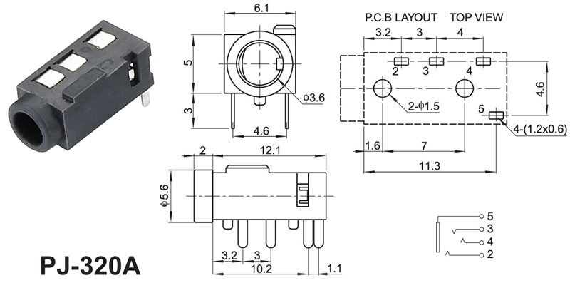
 3.5/SMT耳机插座系列 >> PJ-320A
  点击次数:728  发布时间:2010-12-13 【打印】 【返回