公司简介
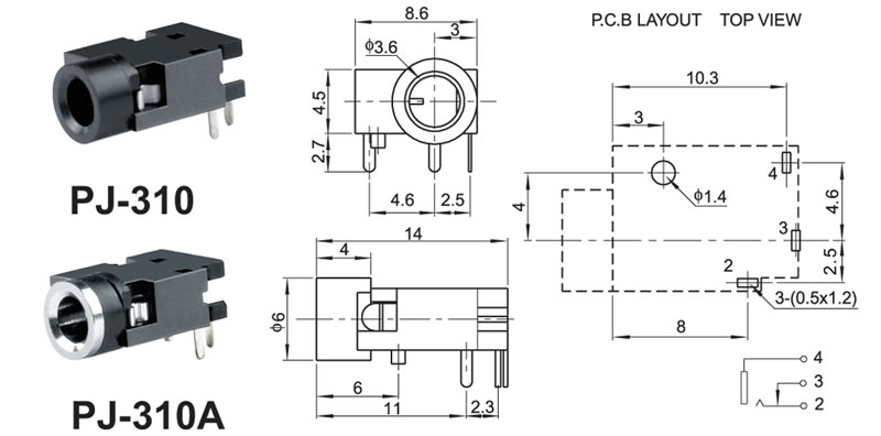
 3.5/SMT耳机插座系列 >> PJ-310 PJ-310A
  点击次数:747  发布时间:2010-12-13 【打印】 【返回