公司简介
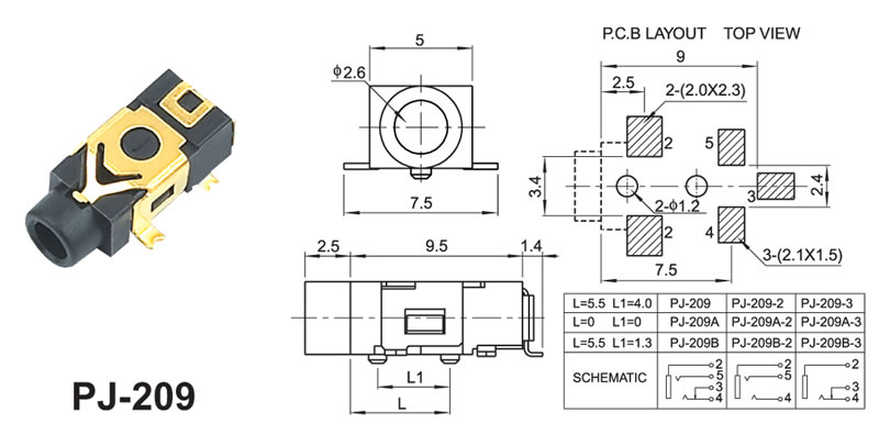
 2.5/SMT耳机插座系列 >> PJ-209
  点击次数:718  发布时间:2010-12-13 【打印】 【返回